Description
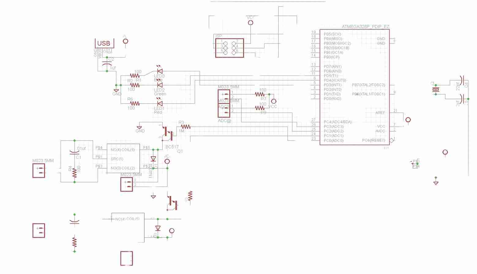
TinyPLC Duo is a two channel PLC with two inputs and two outputs. It measures 4.04 x 1.65 inches.
Features:
- *two relays rated for 4A @ 120V AC or 4A @ 12V DC.
*Logic outputs on each relay for interfacing with external Solid State Relays.
*Two semi-protected inputs for switches or other sensors.
*ATmega 328P-PU chip, compatible with full Arduino IDE and library.
*Features 30K of program space
*6 pin ISP Header
*USB-B socket for 5v power.
*Green, Blue, and Red LED’s – programmed to indicate relay and state status in example code.
*Reset button
*Transistors are protected by bypass diodes to prolong system life.
*Relays are protected by resistance/capacitance filters to prolong contact life.
*Relays are rated for 10A – 240V AC or 10A 30V DC (current limited by trace size on PCB). - Recommended tools and accessories:
*USBTinyISP programmer or similar with 6 pin ISP cable
*ArduinoIDE
*USB-B cable and power source (cell phone charger, computer, etc)







Reviews
There are no reviews yet.